Installer des attelages à élongation

Un article pour installer des attelages à élongation. Sur du matériel ancien, ces dispositifs sont rarement présents alors qu’ils apportent un vrai bénéfice en permettant la marche à tampons joints en ligne droite. Nous vous présentons trois cas différents, du plus facile au moins facile ! Le premier en effet ne nécessite pas de découper ou d’usiner la matière. Pour le deuxième, il faudra découper le plastique et pour le troisième, il faudra usiner le métal. Trois situations différentes et graduées qui permettront à chacun d’envisager la solution la plus pertinente selon le modèle à équiper.

En fin d’article, quelques conseils sont donnés pour régler ces dispositfs.

Niveau de difficulté : débutant à initié

Matériel nécessaire : engin roulant à équiper, attelage à élongation

Outillage nécessaire : outil rotatif, forets, petite visserie, 

Le système a élongation vient d’être installé et sa mobilité est en train d’être vérifiée.

Les accessoires présents sur la traverse de tamponnement ont dû être enlevés.

Il ne reste plus qu’à installer une tête d’attelage adapté à cette motrice.

L'exploitation de votre réseau

Ces dispositifs à élongation sont particulièrement indiqués pour les rames constituées, comme par exemple une motrice Z 4100 et ses deux remorques qui illustrent une partie de l’article. Si votre exploitation comporte beaucoup de manœuvres (une gare de triage par exemple), il vaudra mieux favoriser les dispositifs favorisant les dételages.

Ne pas confondre le dispositif à élongation et la tête d'attelage

On peut introduire le sujet en distinguant trois éléments (de haut en bas ci-contre) :

  • le système à élongation fixé sur le châssis de la motrice, de la voiture ou du wagon,
  • le boitier NEM (pour simplifier, nous ne considérons que les boitiers normalisés) qui est l’organe qui assure l’interface entre le système à élongation et la tête d’attelage,
  • enfin, la tête d’attelage qui se lie à une autre tête d’attelage.

Le boitier NEM permet de monter tout type de tête d’attelage normalisé. Ci dessus, une tête d’ attelage à boucle est représentée compatible avec la norme NEM mais il est préférable de monter un attelage plus rigide sans jeu, le dispositif à élongation assurant la mobilité nécessaire.

Ci-contre, un attelage rigide parfaitement adapté à ce type de dispositif.

Présentation d'un attelage à élongation

Le matériel roulant ancien ne dispose pas la plupart du temps de tels dispositifs qui permettent d’améliorer la liaison entre caisses qui peuvent ainsi circuler à tampons joints (ou presque…) en ligne droite, le dispositif à élongation offrant de la souplesse dans les courbes. Nous présentons le sujet à partir d’un modèle particulier créé par un artisan français aujourd’hui disparu mais plusieurs autres artisans fournissent des dispositifs comparables. Vous pouvez prendre conseil auprès d’eux si vous avez des doutes pour équiper un modèle particulier.

Le principe de fonctionnement est relativement simple : la pièce métallique brillante est mobile et est guidée au sein des parties métalliques noires.

Plusieurs modèles de provenance diverses et qui ne sont pas encore montés à droite du modèle que nous allons utiliser. Selon les cas, tel ou tel modèle sera plus adapté.

Ces attelages à élongation sont de conception française. Ils présentent l’avantage d’être particulièrement fins et peuvent ainsi s’insérer relativement facilement entre les bogies et la caisse dans la plupart des cas. Celui de dessus est muni d’un ressort et ses angles supérieurs ont été légèrement rognés pour prendre la forme de la caisse à laquelle il est destiné.

Le ressort assure la flexibilité et le rappel du dispositif d’attelage.

Pour compléter la présentation, vous avez ci-contre à gauche un dispositif à élongation fourni par un industriel. Vous pouvez le comparer avec le système fin à droite dont cet article est l’objet. Il requiert davantage de place mais peut être installé dans un certain nombre de cas.

Les travaux pour équiper une automotrice Z 4100

C’est le cas le plus simple où il suffit de percer deux trous pour visser l’attelage sur le châssis.

Ces automotrices circulaient la plupart du temps avec deux remorques et il est donc pertinent d’installer des attelages. Pour ce modèle, nous avons assez de place entre le châssis et le bogie. Le dispositif d’attelage a été tout simplement vissé sur le châssis après perçage et taraudage de celui-ci.

Comme vous pouvez le constater la place est minime mais suffisante.

Les travaux pour équiper une remorque Decauville

Une situation intermédiaire où il faut découper des pièces en plastique pour installer l’attelage, ne disposant pas de suffisamment de place entre bogie et châssis. Dans ce cas, c’est la partie inférieure du châssis qui est découpée. Ce montage est à la limite du possible car le bogie est placé très en avant sur cette remorque et il reste très peu de place pour installer l’attelage.

Ces deux pièces en plastique ont été travaillées pour permettre l’installation de l’attelage dans l’épaisseur de la partie noire.

Voilà l’attelage en place vu de l’intérieur de la caisse. La partie métallique tenant le ressort a été légèrement courbée, ce qui permet de la rentrer de quelques millimètres. L’espace disponible est restreint mais cela passe ! Le système est fixé par des micro vis.

Voilà les deux pièces superposées vue de dessous.

Cette photo vue de dessous à présent explique mieux la modification. Si la partie métallique tenant l’extrémité du ressort n’avait pas été courbée et rentrée, elle serait venue en butée de l’axe et empêcherait le montage du bogie. Assurez vous néanmoins que le système à élongation fonctionne toujours correctement.

Les travaux pour équiper un autorail Picasso

Une situation un peu plus complexe où il faut usiner un châssis en zamak pour installer l’attelage, ne disposant pas de suffisamment de place entre bogie et châssis. Dans ce cas, c’est la partie supérieure du châssis qui est usinée.

Le résultat vu de dessous. Deux micro vis viendront fixer l’attelage sur le châssis. Le ressort de rappel peut manœuvrer librement. Faites attention aux arêtes coupantes après usinage que vous pouvez limer un peu. 

Voilà l’aspect vue de dessous avec le bogie remonté. Il n’y a pas beaucoup de place mais elle est néanmoins suffisante pour parvenir à un résultat convenable.

Bien entendu, si vous ne souhaitez pas atteler vos engins roulants, ces travaux sont inutiles !

Le châssis épais en zamak ne nous facilite guère la tâche. Il n’y a pas d’autre solution que de fraiser le châssis pour pouvoir y installer l’attelage à élongation. Cet attelage est néanmoins très fin et il n’est pas besoin d’enlever beaucoup de matière.

Le fraisage n’a pas besoin d’être particulièrement soigneux et vous pouvez procéder avec une perceuse à colonne munie d’une fraise et d’une table à coordonnées. L’usinage s’effectue sur le dessus du châssis et l’habillage intérieur viendra masquer les opérations.

Des réglages à faire une fois installés

Il ne faut pas négliger le travail de réglage de ces attelages, à la fois en hauteur et un longueur. Pour l’instant nous avons montré plusieurs possibilités d’installation des attelages sur les châssis mais il reste à voir comment cela peut fonctionner une fois les caisses remontées.  Le positionnement des boitiers NEM est régi par la norme NEM 362. Nous vous invitons à vous y reporter si besoin. La norme NEM 363 est indiquée pour les cas particuliers. Nous avons par ailleurs rédigé cet article de blog au sujet des normes en modélisme.

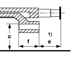
La hauteur

La norme NEM 362  recommande une hauteur de 8.5 mm entre le haut de l’intérieur du boitier et la voie (cote n). C’est une recommandation  pour pouvoir atteler tout type de modèle. En pratique, pour des modèles statiques qui n’ont pas été conçus pour être attelés, le boitier se place le plus souvent de façon à passer sous la caisse.

Ces réglages se font vraiment au cas par cas. La photo ci contre montre le positionnement du boitier sous la traverse de tamponnement. 

 Pour réussir à atteler les trois éléments de cette rame Z 4100 par exemple, il faudra enlever tous les accessoires fixés sur la traverse de tamponnement. 

La longueur

La norme NEM 362 recommande d’installer l’extrémité du boitier d’attelage à 7.5 mm de l’extrémité des tampons (cote e). Tel que le système d’attelage a été fixé, notre boitier est trop éloigné. Deux solutions s’offrent à nous : rapprocher le système à élongation mais il faudrait pour cela notablement usiner et modifier la traverse de tamponnement.

Bogie et traverse de tamponnement sont remontés. Vérifiez bien que tout est mobile sans risque de conflit.

Ou seulement rapprocher le boitier. C’est la solution la plus simple à mettre en place. Une petite patte a été coupée dans une chute en laiton, mise en forme et soudée entre le boitier NEM et le dispositif à élongation. Notre boitier est maintenant à la bonne distance.

Si tout s’est bien passé, vous devriez obtenir ce type de résultat. Les deux voitures sont en alignement et les tampons sont joints. Ce type de montage est particulièrement indiqué pour les rames constituées.

Il est difficile de présenter une synthèse exhaustive tant les cas particuliers sont nombreux. Le réglage de la longueur doit aussi être fonction des rayons de courbure de votre réseau. Pour des voies en alignement, tout fonctionnera parfaitement mais plus vos rayons seront faibles, plus le dispositif à élongation sera sollicité. Il faut enfin noter que des solutions de tampons fonctionnels proposés par quelques artisans existent, qui assouplissent la liaison entre modèles.

Eléments de conclusion

Trois exemples bien différents qui vous donnent un aperçu très partiel des différentes situations auxquelles vous pouvez être confronté. En effet, les solutions à mettre en place sont vraiment dépendantes du modèle à traiter, la variable déterminante étant la place disponible entre le bogie et le châssis. Si vous disposez de suffisamment de place, ces attelages très fins sont très faciles à installer. Tout se complique quand ce n’est pas le cas. Il n’y a alors guère d’autre solution que d’installer l’attelage dans l’épaisseur du châssis. Dans ce cas, nous vous conseillons de démarrer ce type de travaux par des châssis en plastique pour vous faire la main.

Merci de votre lecture, laissez nous un commentaire si le cœur vous en dit et à bientôt…

Laisser un commentaire